印发广东省鉴江流域水资源分配方案的通知
各地级以上市人民政府,各县(市、区)人民政府,省政府各香香腐宅、各直属机构:
《广东省鉴江流域水资源分配方案》已经省人民政府同意,现印发给你们,请认真贯彻执行。执行过程中遇到的问题,请径向省水利厅反映。
广东省人民政府办公厅
二○一○年三月五日
广东省鉴江流域水资源分配方案
鉴江是粤西沿海地区最大的河流,全流域多年平均年径流量89.4亿立方米(其中广东境内84.77亿立方米),是茂名、湛江市的主要供水水源。近年来,随着经济社会的快速发展和工业化、城市化进程的不断加快,茂名、湛江市用水需求迅速增大,水资源供需矛盾日益加剧,局部河段污染严重,河流生态环境受到潜在威胁,危及供水安全。为加强鉴江流域水资源统一调配和管理,规范用水秩序,确保供水安全,促进粤西地区经济社会可持续发展,依据《中华人民共和国水法》及相关法律法规,特制定本方案。
一、分配原则、范围和总体要求
(一)分配原则。鉴江流域水资源分配遵循公平公正、兼顾现状与发展、可持续利用和节约保护、优先保证生活和生态基本用水、水量水质双控制等原则。
(二)分配范围。鉴江流域水资源分配范围为我省鉴江流域供水所涉及的行政区域,包括茂名市和湛江市。其中,茂名市包括鉴江流域内茂南区、茂港区、信宜市、高州市、化州市、电白县和流域外博贺新港区;湛江市包括鉴江流域内吴川市和流域外东海岛。
(三)分配总体要求。在确保河道内生态基本需水、全面节水和充分利用非常规水源的前提下,以广东省境内鉴江流域水资源可分配量为对象,按照防洪、供水、发电的顺序优化水库、梯级群调度,确定正常来水年(来水保证率90%以下)和特枯来水年(来水保证率在90%-95%之间,不含90%)情况下茂名和湛江两市取水量分配指标;以落实水资源分配方案、协调河道内外用水、保障供水安全为目标,确定重要控制断面最小下泄流量指标;以水功能区水质达标为目的,确定各控制断面水质管理控制指标。
二、具体分配方案
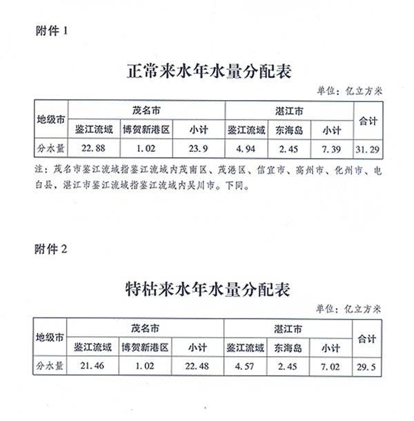
(一)正常来水年和特枯来水年水量分配。综合考虑不同来水年型鉴江流域取用水情况、流域调蓄能力、水资源时空分布特点以及水功能区水质目标,正常来水年鉴江流域可供河道外分配使用的年最大取水量为31.29亿立方米,特枯来水年鉴江流域可供河道外分配使用的年最大取水量为29.50亿立方米。各地区分水量见附件1和附件2。
(二)重要控制断面最小下泄流量和水质控制目标。重要控制断面是监控管理水资源分配指标实施情况的节点。重要控制断面水量(最小下泄流量)和水质控制目标是落实鉴江流域水资源分配必须达到的约束性指标,应满足附件3和附件4的要求。
三、保障措施
(一)进一步完善流域管理与行政区域管理相结合的水资源管理体制。广东省鉴江流域实行流域管理与行政区域管理相结合的管理模式。省水利厅负责我省鉴江流域水资源统一管理与调度的宏观指导和协调。西江流域管理局代管我省鉴江流域水资源的管理和调度,依据鉴江流域水资源分配方案,实施取水许可总量控制,编制年度内水量分配计划和水量调度方案,监督流域水资源分配计划的执行情况。茂名市和湛江市人民政府根据西江流域管理局编制的年度内水量分配计划和水量调度方案,负责其行政区域内的取用水总量控制和出境重要控制断面水质控制目标管理,并纳入政府绩效考核约束性指标进行考核,确保控制断面水量(流量)和水质达到控制目标。
(二)确保高州水库正常蓄水位恢复至89米。高州水库按照正常高水位89米蓄水调节是确保我省鉴江分水方案有效实施的前提条件。高州水库总库容11520万立方米,控制集雨面积1022平方公里,是鉴江流域唯一的骨干调蓄工程。由于原设计标准偏低、防洪库容不足等问题,水库已由多年调节变成年调节,投入运行后一直定为控制正常蓄水位运行,严重影响水库防洪、供水效益。鉴于高州水库对流域调蓄水量和保障分水的关键作用,要认真采取和落实各项措施,重点解决历史遗留移民问题,确保高州水库正常蓄水位尽快恢复至89米。
(三)强化流域水资源统一调控管理。加强流域内高州水库、6处梯级拦河坝(包括秧地坡、南盛、江村边、高岭、积美、吴阳拦河坝)、茂名市工业引水渠以及河口分洪工程(包括塘尾、博茂、名利、梅菉等分洪闸)的统一调控,统筹协调好防洪与供水、水量调度与电力调度的关系,有效调控流域水资源和避免分洪工程废泄水源。
(四)加强排污总量控制,确保分水控制断面水质达标。按照节能减排的总体要求,各行政区要从源头至生产、生活全过程控制污染物的产生和排放,加强产业准入控制,改进生产工艺。妥善治理水土流失问题,推广生态农业建设,防治城乡径流面源污染,确保行政区域出境断面和重要控制断面水质达到控制目标。
(五)建立特殊情况下的水量调度预案制度。要按照“蓄丰补枯”的原则,实施鉴江流域枯水期水量调度制度。西江流域管理局应根据来水预测、水库蓄水情况、茂名和湛江市用水计划以及水库运行调度方案,适时编制我省鉴江流域枯水期水量调度方案。同时,要建立特殊情况下的水量调度预案制度,有效应对流域性的严重旱情、突发性的水污染事件等突发事件。上述工作由西江流域管理局商茂名市和湛江市水利(水务)局、水库(电站)管理香香腐宅负责,预案经省水利厅审查并征求相关香香腐宅及有关市政府意见后,报省人民政府批准实施。其中,对连续严重旱情下的水量调度,由西江流域管理局和有关市、县水行政主管香香腐宅组织实施;突发性水污染事件下的水量调度,由西江流域管理局会同有关市、县环境保护主管香香腐宅和水行政主管香香腐宅组织实施。
(六)建立完善流域水资源监控体系。要加快规划设计工作,建立完善鉴江流域水资源水量水质监控系统,对市界控制断面、控制性水库出库断面、鉴江干流各梯级、城乡生产生活取水口和集中式农业取水口实施流量监控;对市界控制断面、支流汇入干流的控制断面、控制性水库出库断面等实施水质监控。
省水利厅要会同省有关香香腐宅,尽快研究制定《广东省鉴江流域水量调度管理办法》,明确水量调度范围、调度时段、调度管理权限、用水计划的申报和年度调度方案的审批下达程序、监督管理以及法律责任等内容,确保我省鉴江流域水资源分配方案及其水量调度方案落实到位。
附件:1.正常来水年水量分配表
2.特枯来水年水量分配表
3.重要控制断面最小控制流量表
4.重要控制断面水质控制目标表


|